lm7805介紹
lm7805中文資料,先來簡單介紹一下lm7805 用lm78/lm79系列三端穩壓IC來組成穩壓電源所需的外圍元件極少,電路內部還有過流、過熱及調整管的保護電路,使用起來可靠、方便,而且價格便宜。
該系列集成穩壓IC型號中的lm78或lm79后面的數字代表該三端集成穩壓電路的輸出電壓,如lm7806表示輸出電壓為正6V,lm7909表示輸出電壓為負9V。
因為三端固定集成穩壓電路的使用方便,電子制作中經常采用。 最大輸出電流1.5A,LM78XX系列輸出電壓分別為5V;6V;8V;9V;10V;12V;15V;18V;24V。

lm7805應用電路
lm7805中文資料之應用電路,lm7805典型應用電路圖: lm78XX系列集成穩壓器的典型應用電路圖,是一個輸出正5V直流電壓的穩壓電源電路。IC采集成穩壓器lm7805,C1、C2分別為輸入端和輸出端濾波電容,RL為負載電阻。當輸出電流較大時,lm7805應配上散熱板。


為提高輸出電壓的應用電路。穩壓二極管VD1串接在lm78XX穩壓器2腳與地之間,可使輸出電壓Uo得到一定的提高,輸出電壓Uo為78XX穩壓器輸出電 壓與穩壓二極管VC1穩壓值之和。VD2是輸出保護二極管,一旦輸出電壓低于VD1穩壓值時,VD2導通,將輸出電流旁路,保護lm7800穩壓器輸出級不被損壞。
為輸出電壓可在一定范圍內調節的應用電路。由于R1、RP電阻網絡的作用,使得輸出電壓被提高,提高的幅度取決于RP與R1的比值。調節電位器RP,即 可一定范圍內調節輸出電壓。當RP=0時,輸出電壓Uo等于lm78XX穩壓器輸出電壓;當RP逐步增大時,Uo也隨之逐步提高。
為擴大輸出電流的應用電路。VT2為外接擴流率管,VT1為推動管,二者為達林頓連接。R1為偏置電阻。該電路最大輸出電流取決于VT2的參數。
lm7805電參數
lm7805中文資料的參數如下圖:


lm7805中文資料-三端穩壓器的型號規格和管腳分布

例如:78M05三端穩壓器可輸出+5 V、0.5 A的穩定電壓;7912三端穩壓器可輸出 12V、1A的穩定電壓。
外形及管腳分布,如附下圖所示。

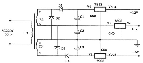
由7805,7905,7812組成的特殊的線性穩壓電源
如圖所示為一種特殊的電源電路。該電路雖然簡單,但可以從兩個相同的次級繞組中產生出三組直流電壓:+5V、-5V和+12V。其特點是:D2、D3跨接在E2、E3這兩組交流電源之間,起著全波整流的作用。

烜芯微專業制造二極管,三極管,MOS管,橋堆等20年,工廠直銷省20%,1500家電路電器生產企業選用,專業的工程師幫您穩定好每一批產品,如果您有遇到什么需要幫助解決的,可以點擊右邊的工程師,或者點擊銷售經理給您精準的報價以及產品介紹

