通斷性測試
各種各樣的裝置都需要進行通斷性檢查,包括電纜成套件、印制板和連接器,以確保這些元件具有預期的連續通路。在設置通斷性測試時,工程師必須規定電阻最大為多少時裝置是可用的。例如,若測得的電阻為1Ω或更小,則表示裝置良好。通斷性檢查需要測量低阻,因此通常使用4線歐姆表進行測量,從測量值中消除測量線和開關電阻。
除進行通斷性測試外,往往還會進行隔離電阻或絕緣電阻測試。尤其對于多芯電纜,每根導線都形成兩端之間的連續通路,并且還要求每根導線與其它所有導線隔離。

圖1,通斷性測試系統
既然通斷性測試往往涉及到多導線裝置,因此利用一套開關系統將歐姆表自動連接到每根導線就非常有用。
圖 1所示為一個典型的通斷性測試電路。使用兩組雙刀開關對20根導線進行4線電阻測量。在2700型多用表/數據采集系統中,為了測量導線1的電阻,需閉合通道1(Ch.1)。在4線歐姆模式下,將自動閉合通道21。對每根導線重復以上動作。
為了測量20根導線,就需要2700型帶有7702型40通道差分復用器模塊。如果同時測量的導線超過40根,就需要帶有7702型模塊的2750型多用表/開關系統。
絕緣電阻測試
直流絕緣電阻(IR)為施加到兩根由絕緣層隔離的導線之間的電壓與這兩根導線之間通過的總電流之比。在測量電流之前,施加一定時間周期的測試電壓。測得的電流通常非常小,因此往往需要使用皮安計或靜電計進行測量。
有時候測量一個樣本的絕緣電阻僅僅是為了確認大于規定的一個最小值。例如,大于10 MΩ的任何電阻值都認為是可接受的。測量的準確度并不關鍵,重要的是測得的電阻值大于一個規定值。
測量絕緣電阻的例子包括測量印制板上走線之間的通路,或多芯電纜中導線之間的電阻。由于IR測量往往涉及到多芯導線,所以通常需要一套切換系統來將皮安計和源切換至測試電路中的所有導線。
IR測試系統中采用的開關卡的設計和類型取決于多個因素,包括測試電壓、電阻數量級、準確度、共用連接,等等。以下部分介紹兩種IR測試系統。
圖2所示為一套用來測量IR的測試系統,它通過7001型開關主機中的7111-S型40通道C型開關卡來測量多芯連接器中每個端子與其它所有端子之間的絕緣電阻。在去激勵位置,電壓源被連接到被測的所有插針。當選中了任意指定通道時,則測量該插針至其它所有插針的漏流。7111-S型開關卡的偏移電流指標100 pA。當測試電壓為100 V時,則說明漏阻為1 TΩ。將該系統連入實際電路時,可非常容易地檢測到大于10 GΩ的漏阻。

圖 2,測量多芯連接器中任意插針至其它所有插針的絕緣電阻(IR)
圖 3所示的系統中,可以對一個或多個插針施加測試電壓,同時測量來自于一個或多個插針的電流。注意,每個插針上都連接有兩組獨立的開關。一組將測試電壓連接到插針,而另一組測量漏流。因此就可以測量任意插針和另外任意一個插針或所有插針之間的IR。注意,在測試周期的有些時間點,所有的開關都將承受測試電壓。所以,兩組開關都必須能夠承受預期的測試電壓,并應該具有良好的通道間隔離,以防止測試信號劣化。
在圖 3中,可使用7169A型20通道C型開關卡以相對較高的電壓(最高500 V)測量絕緣電阻(對于最大1300 V的電壓,可使用7153型4×5高電壓小電流矩陣卡)。7169A型開關卡具有位置敏感的繼電器,并只可用于7002型開關主機中。
7169A型開關卡上的兩個總線可將其配置為開關或復用。若需測量插針1和2之間的絕緣電阻,需閉合通道1和22。

圖 3,測試任意兩個端子之間的絕緣電阻(IR)
電阻器(R)限制著通過繼電器的充電電流。這些電阻器取代了開關卡上出廠安裝的跳線,使電纜電容充電和放電電流達到最小。典型的R值為100 kΩ。
連通性和絕緣電阻組合測試
有些多插針裝置需要測量通過每一導線的通路電阻或連通性(低阻),并測量導線之間的絕緣電阻(高阻)。測試系統需要切換和測量低阻( 1Ω)和非常高的電阻值(> 109Ω)。
該測試系統可被用于各種裝置,例如連接器、開關、多芯電纜和印制板。
切換配置
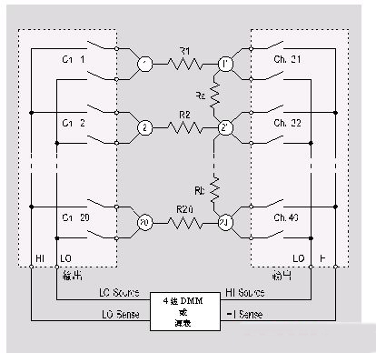
圖4所示一套通斷性和IR組合測量系統,通過一臺4線DMM或源表測試多芯電纜。電阻R1~R20表示導線電阻.為了測量導線1的電阻R1,需要閉合通道1和21.電阻Ra和Rb表示導線之間的漏阻??蓽y量任意兩根或多根導線之間的漏阻。若要測量漏阻Ra,需要閉合通道1和22。這實際上是導線1和2之間的漏阻,Ra遠遠大于R1。

圖4,通斷性和IR測試系統
單套包含7702型40通道差分放大器的2700型多用表/數據采集系統可測試最大20根導線。當利用DMM測量漏阻時,施加的最大電壓通常小于15 V。此外,測得的最大電阻往往不會高于100 MΩ。為了測試規定測試電壓下的IR,可以使用的測試配置如2400型源表和7001型或7002型開關主機中的7011型1×10多路選通卡。

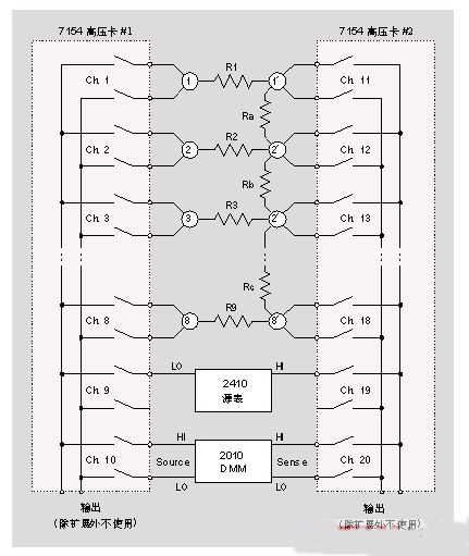
圖5,擴展的通斷性/IR測試系統
如果需要更高的測試電壓或必須測量更高的漏阻,則可使用圖5所示的電路。在該圖中,采用了兩塊7154型高壓掃描卡來將2410型源表和2010型數字多用表切換至8根導線。該系統能夠以高達1000 V的測試電壓測量低達0.1 mΩ的導線電阻和高達300 GΩ的漏阻。注意,2410型和2010型未被連接到開關卡輸出,而是連接到插卡的指定通道。插卡的輸出,僅用來將系統擴展為可測量更多數量的導線。若要測量電阻R1的阻值,需閉合通道1、10、11和20。這樣將把2010型連接到R1兩端;若要測量Ra,也就是R1和R2之間的漏阻,需要閉合通道1、9、12和19。這樣將把2410型連接到漏阻(Ra)兩端。
烜芯微專業制造二極管,三極管,MOS管,橋堆等20年,工廠直銷省20%,4000家電路電器生產企業選用,專業的工程師幫您穩定好每一批產品,如果您有遇到什么需要幫助解決的,可以點擊右邊的工程師,或者點擊銷售經理給您精準的報價以及產品介紹

