MOS管及其外圍電路設計
1.柵極驅動部分
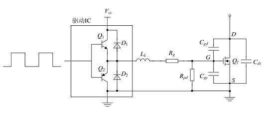
MOS管及其外圍電路設計:常用的mos管驅動電路結構如圖1所示,驅動信號經過圖騰柱放大后,經過一個驅動電阻Rg給mos管驅動。其中Lk是驅動回路的感抗,一般包含mos管引腳的感抗,PCB走線的感抗等。
在現在很多的應用中,用于放大驅動信號的圖騰柱本身也是封裝在專門的驅動芯片中。本文要回答的問題就是對于一個確定的功率管,如何合理地設計其對應的驅動電路(如驅動電阻阻值的計算,驅動芯片的選型等等)。
注1:圖中的Rpd為mos管柵源極的下拉電阻,其作用是為了給mos管柵極積累的電荷提供泄放回路,一般取值在10k~幾十k這一數量級。由于該電阻阻值較大,對于mos管的開關瞬態工作情況基本沒有影響,因此在后文分析mos的開關瞬態時,均忽略Rpd的影響。
注2:Cgd,Cgs,Cds為mos管的三個寄生電容,在考慮mos管開關瞬態時,這三個電容的影響至關重要。

驅動電阻的下限值
驅動電阻下限值的計算原則為:驅動電阻必須在驅動回路中提供足夠的阻尼,來阻尼mos開通瞬間驅動電流的震蕩。
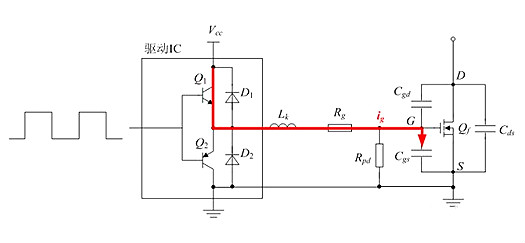
當mos開通瞬間,Vcc通過驅動電阻給Cgs充電,如圖2所示(忽略Rpd的影響)。根據圖2,可以寫出回路在s域內對應的方程:

式(4)給出了驅動電阻Rg的下限值,式(4)中Cgs為mos管gs的寄生電容,其值可以在mos管對應的datasheet中查到。
而Lk是驅動回路的感抗,一般包含mos管引腳的感抗,PCB走線的感抗,驅動芯片引腳的感抗等,其精確的數值往往難以確定,但數量級一般在幾十nH左右。
因此在實際設計時,一般先根據式(4)計算出Rg下限值的一個大概范圍,然后再通過實際實驗,以驅動電流不發生震蕩作為臨界條件,得出Rg下限值。

圖2 mos開通時的驅動電流
驅動電阻的上限值
驅動電阻上限值的計算原則為:防止mos管關斷時產生很大的dV/dt使得mos管再次誤開通。
當mos管關斷時,其DS之間的電壓從0上升到Vds(off),因此有很大的dV/dt,根據公式:i=CdV/dt,該dV/dt會在Cgd上產生較大的電流igd,如圖3所示。

圖3 mos關斷時的對應電流
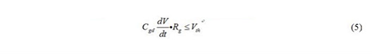
該電流igd會流過驅動電阻Rg,在mos管GS之間又引入一個電壓,當該電壓高于mos管的門檻電壓Vth時,mos管會誤開通,為了防止mos管誤開通,應當滿足:

式(6)給出了驅動電阻Rg的上限值,式(6)中Cgd為mos管gd的寄生電容,Vth為mos管的門檻電壓,均可以在對應的datasheet中查到,dV/dt則可以根據電路實際工作時mos的DS電壓和mos管關斷時DS電壓上升時間(該時間一般在datasheet中也能查到)求得。
從上面的分析可以看到,在mos管關斷時,為了防止誤開通,應當盡量減小關斷時驅動回路的阻抗?;谶@一思想,下面再給出兩種很常用的改進型電路,可以有效地避免關斷時mos的誤開通問題。

圖4給出的改進電路1是在驅動電阻上反并聯了一個二極管,當mos關斷時,關斷電流就會流經二極管Doff,這樣mos管gs的電壓就為二極管的導通壓降,一般為0.7V,遠小于mos的門檻電壓(一般為2.5V以上),有效地避免了mos的誤開通。

圖5給出的改進電路2是在驅動電路上加入了一個開通二極管Don和關斷三級管Qoff。當mos關斷時,Qoff打開,關斷電流就會流經該三極管Qoff,這樣mos管gs的電壓就被鉗位至地電平附近,從而有效地避免了mos的誤開通。
驅動電阻阻值的選擇
根據1.1節和1.2節的分析,就可以求得mos管驅動電阻的上限值和下限值,一般來說,mos管驅動電阻的取值范圍在5~100歐姆之間,那么在這個范圍內如何進一步優化阻值的選取呢?
這就要從損耗方面來考慮,當驅動電阻阻值越大時,mos管開通關斷時間越長(如圖6所示),在開關時刻電壓電流交疊時間久越大,造成的開關損耗就越大(如圖7所示)。所以在保證驅動電阻能提供足夠的阻尼,防止驅動電流震蕩的前提下,驅動電阻應該越小越好。

MOS管及其外圍電路設計-外圍保護電路

R7作用:防靜電影響MOS,管子的DG,GS之間分別有結電容, DS之間電壓會給電容充電,這樣G極積累的靜電電壓就會抬高直到mos管導通,電壓高時可能會損壞管子. 同時為結電容提供泄放通道,可以加快MOS開關速度。 阻值一般為幾千左右。
R6和D3作用:在MOS關斷時,這個回路快速放掉柵極結電容的電荷,柵極電位快速下降,因此可以加快MOS開關速度。另外,高頻時, MOSFET的輸入阻抗將降低,而且在某個頻率范圍內將變成負阻,會發生振蕩,這個電阻可以減少震蕩。R6阻值一般較小,幾歐到幾十歐左右。
C11,R8和d5作用:MOS有分布電感,關斷時會有反峰電壓。Rc部分用于吸收尖波,這個設計給這個反峰提供了釋放回路。D5是為了防止高電壓擊穿mos。經實驗,去掉該回路后波形有很大的震蕩。
烜芯微專業制造二極管,三極管,MOS管,橋堆等20年,工廠直銷省20%,4000家電路電器生產企業選用,專業的工程師幫您穩定好每一批產品,如果您有遇到什么需要幫助解決的,可以點擊右邊的工程師,或者點擊銷售經理給您精準的報價以及產品介紹
烜芯微專業制造二極管,三極管,MOS管,橋堆等20年,工廠直銷省20%,4000家電路電器生產企業選用,專業的工程師幫您穩定好每一批產品,如果您有遇到什么需要幫助解決的,可以點擊右邊的工程師,或者點擊銷售經理給您精準的報價以及產品介紹

