放大電路是一種能量轉換器,它不可能創造能量。晶體三極管是用基極電流的微小變化控制集電極電流發生較大的變化,電子管與場效應管是用柵極電壓的微小變化控制屏極電流發生較大的變化,因此,場效應管與電子管是電壓控制器件,而晶體管是電流控制器件。
放大電路是一種能量轉換器,它不可能創造能量。晶體三極管是用基極電流的微小變化控制集電極電流發生較大的變化,電子管與場效應管是用柵極電壓的微小變化控制屏極電流發生較大的變化,因此,場效應管與電子管是電壓控制器件,而晶體管是電流控制器件。
放大電路不像放大鏡一樣,直接放大被觀看的文字或物體。放大電路將交流信號疊加在直流信號之上,由交流信號的變化,引起直流信號的變化,再通過負載電阻,將直流信號的變化轉化為交流信號的變化。放大電路中的晶體三極管就是起這種轉換作用,由基極電流微小的變化控制集電極電流較大的變化,相當于放大了基極電流。
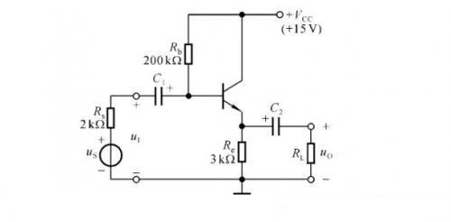
在放大器中既有直流成分,又有交流成分,為了分析電路方便,常將直流成分所通過的路徑稱為直流通路,而將交流信號所通過的路徑稱為交流通路。因電容具有隔直流通交流的作用,在畫直流等效電路時,應將電容器視為開路,其他不變。


在分析直流通路時,一定要從電源的正極回到電源的負極,形成一個閉合通路;在畫交流等效電路時,電容器應視為短路,直流電源因其兩端電壓不會變化,無交流壓降產生,也視為短路,其他不變。在分析交流通路時,不必每一級重復分析,而是要掌握整個信號從何外來,經過哪些元器件,發生了哪些變化,最終到達何處。
放大電路通常具有靜態和動態兩種工作狀態。靜態是指輸入信號為零時,直流電源給三極管的各個電極提供一個合適的直流工作電壓,使三極管工作在放大區,也就是說三極管放大的外部條件是發射結正偏,集電結反偏。動態是指在放大電路的輸入端加上輸入信號后,主要分析放大電路對信號的放大能力。
因此在分析放大電路時,先靜態后動態,即先分析靜態直流通路,看晶體管、電子管、場效應管的工作電壓是否正常,在靜態工作點正常后,再分析動態交流通路。而交流通路與直流通路是共存于同一電路之中,它們既互相聯系,又互相區別。交流信號電壓是疊加在直流工作電壓之上,而且電路的交流性能又受到 直流工作點的影響和制約。如果直流偏置電壓不穩定,或有故障,則交流通路會受到影響而出現故障。
在負反饋電路中出現輸出信號幅度增大,失真故障現象的主要原因是,放大電路中負反饋元件損壞,負反饋作用消失,使放大器的增益變大,導致輸出信號幅度增大。此時應重點檢查電路中的負反饋元件是否出現開路、虛焊、電阻變值等現象。如果輸出信號出現失真,說明放大器已工作在非線性區(飽和或截 止狀態),應重點測量放大器的工作點電壓,蘇業緶分械牡繾枋欠裾常、放大管的參數是否發生變化。
烜芯微專業制造二極管,三極管,MOS管,橋堆等20年,工廠直銷省20%,4000家電路電器生產企業選用,專業的工程師幫您穩定好每一批產品,如果您有遇到什么需要幫助解決的,可以點擊右邊的工程師,或者點擊銷售經理給您精準的報價以及產品介紹
烜芯微專業制造二極管,三極管,MOS管,橋堆等20年,工廠直銷省20%,4000家電路電器生產企業選用,專業的工程師幫您穩定好每一批產品,如果您有遇到什么需要幫助解決的,可以點擊右邊的工程師,或者點擊銷售經理給您精準的報價以及產品介紹

