微弱信號的放大要求高,難易度高,信號放大和信號放大的穩定性和精度的要求有關。差動放大技術由于具有抑制共模信號而僅放大差模信號、增益高的特點,被應用于小信號放大技術中。系統設計采用具有差分放大功能的AD620芯片,放大了應變式傳感器的微弱電壓信號,以實現系統高精度的要求。本文利用虛擬儀器技術對放大后的信號進行采集和分析處理,并編寫相應的顯示界面。用二階插值法對測量數據進行分析,驗證了電路的精確性。
1.系統設計方案
系統由直流穩壓源提供±12 V和±5 V兩種電壓。設定±12 V供電時,系統電壓輸出滿量程為5V,傳感器承受靜壓力滿量程為19.6N。滿量程范圍內測量時,靜壓力信號最大絕對誤差<9.8×10-3N,相對誤差<0.02%。測力傳感器輸出信號經放大電路后提供電壓和電流兩種輸出方式。
2.系統硬件電路設計
系統整體設計流程如圖1所示。系統硬件電路主要由LC7012測式力傳感器、AD620儀表放大器、參考電壓源以及電壓調零電路、信號濾波整形電路和電壓電流轉換電路組成。

圖1 系統硬件電路整體設計流程
2.1壓力測量電路
壓力測量采用LC7012測力傳感器,配以全橋測量電路實現。LC7012測力傳感器受到壓力作用時有以下兩個特點:(1)同樣壓力情況下傳感器應變片的應變量和電橋的輸出電壓是常量,且與壓力作用在傳感器受力端的精確位置無關。(2)應變片組成的全橋電路的輸出電壓與壓力基本成線性關系。
LC7012測力傳感器中4片電阻應變片粘貼在雙孔梁的應變區,在有靜壓力作用時,雙孔梁在壓力和系統底盤對雙孔梁的支持力的作用下產生四邊形形變。4片應變片以全橋方式接成全橋電路,在供橋電壓的激勵下,隨壓力不同而輸出不同的微弱電壓信號,放大電路將電橋送來的微弱電壓信號進行放大。
全橋式等臂電橋的結構簡單、對稱性強、靈敏度高、各臂參數一致性好,各種干擾的影響可以相互抵消,比如可以抑制溫度變化的影響,以及抑制側向力的干擾、較方便地解決測力傳感器的補償等問題。全橋測量電路可使輸出的微弱電壓信號,盡可能地排除由電路本身干擾而引起的誤差,為系統整體精度要求提供最初的保障。
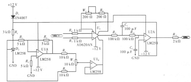
2.2電壓信號放大電路
為提高電橋輸出的微弱電壓信號的放大精度,信號放大電路選用ADI公司生產的AD620芯片為核心原件,并為其設計專門的可調參考電壓源,以滿足不同電壓源供電對參考電壓的需求和精確放大微弱信號的需求。

圖2 AD620引腳排列
AD620是一款低成本、高精度的儀表放大器,僅需一個外部電阻來設置增益,增益范圍為1~10 000 dB。且AD620功耗低,最大工作電流為1.3 mA。AD620具有高精度(最大線性度40×10-6)、低失調電壓(最大50μV)和低失調漂移(最大0.6μV/℃)的特性,是傳感器接口等精密數據采集系統的理想選擇。圖2是其的引腳排列
AD620單片結構和激光晶體調整,允許電路元件緊密匹配和跟蹤,從而保證電路固有的高性能。AD620為三運放集成的儀表放大器結構,為保護增益控制的高精度,其輸入端的三極管提供差分雙極輸入,并采用β工藝獲得更低的輸入偏置電流,通過輸入級內部運放的反饋,保持輸入三極管的集電極電流恒定,并使輸入電壓加到外部增益控制電阻RG上。AD620內部增益電阻以調整至絕對值24.7 kΩ,因此利用一個外部電阻便可實現對增益的精確編程。
增益公式為

AD620放大后的電壓信號可通過濾波整形電路,并經由模數轉換器模塊用數碼管以數字形式顯示。為充分利用和展示虛擬儀器的功能,系統使用LabVIEW設計相應的信號采集處理程序和顯示器界面。
2.3參考電壓源電路和電壓調零電路
參考電壓源電路主要由一個穩壓二極管LM285、一個低功耗雙運算放大器芯片LM258、一只可變電阻和若干固定阻值電阻組成,如圖3左下部分。該參考電壓源電路可為AD620提供1.25 V或2.5 V精確參考電壓。

圖3 電壓信號放大電路
穩壓二極管LM285提供初級穩定電壓,但由于二極管的溫漂較大,且同批次不同二極管的穩壓值也不盡相同,所以必須對其設計相應的輔助穩壓電路。運算放大器LM258U1A對來自穩壓二極管的電壓進行放大,并通過反饋電阻R2對輸出電壓進行反饋,使得輸出電壓更加穩定。電阻R5和電位器W1對穩壓二極管的輸出電壓進行分壓。電位器W1有兩個作用:(1)調節W1可使得由運算放大器LM258U1B組成的電壓跟隨器有不同的輸出電壓,進而對AD620提供不同的穩定參考電壓。(2)電位器W1還對AD620組成的放大電路起到調零作用。使用電壓跟隨器是因為電壓跟隨器可以提高輸入阻抗且降低輸出阻抗,而電源的要求正是需要電路有較小的輸出電阻。
AD620本身具有內部調零功能,但根據實際測量發現,當差分輸入為零時輸出并不為零,而是大約有零點幾mV的輸出,所以,為提高輸出的精確性,還需對AD620進行外部調零,通過對AD620參考電壓管腳提供不同參考電壓可使得儀表放大器AD620輸出端在差分輸入為零時,輸出電壓對地為零。電路正是通過調節W1使得電壓跟隨器輸出端有不同的電壓輸出,調節AD620的參考電壓,從而起到對AD620調零的作用。
參考電壓不穩定會直接影響到由AD620組成的放大電路的穩定性,并導致最終輸出結果的不精確。所以系統并沒有直接采用直流穩壓源提供的相對穩定的-12 V或-5 V作為參考電壓。
2.4電壓電流轉換電路
電壓電流轉換電路使系統可以以電流的形式輸出,由AD620與一個AD705運算放大器和兩個電阻相結合(如圖4所示),構成一個靜謐的電流源,AD705為基準引腳提供緩沖,以確保良好的共模抑制(CMR)性能。AD620的輸出電壓出現在電阻RL上,后者將其轉換成電流輸出。

圖4 電壓電流轉換電路原理圖
AD705是低功耗、雙極型的運算放大器,它具有雙極型場效應晶體管的輸入級。因此,具有輸入阻抗高、輸入失調電壓低、輸入偏置電流小、輸入失調電壓漂移小的特點。輸入偏置電流達到了pA級的水平,它既具有雙極型場效應晶體管與雙極型運算放大器的許多優點,又克服了全溫度范圍內偏置電流漂移大的缺陷。在全溫度范圍內,AD705的偏置電流典型值僅增長5倍,而一般的雙極型場效應晶體管運算放大器偏置電流要增長1 000倍。與OP07相比,溫度漂移值為OP07的1/2,最大輸入偏置電流僅為OP07的1/5,輸入失調電壓僅為OP07的1/20。由于是雙極型場效應晶體管輸入極,因此,信號源阻抗比OP07高得多,而它的直流精度卻保持不變。
3.系統整體軟件設計
系統軟件采用LabVIEW編寫。LabVIEW是一種圖形化的編程語言,作為數據采集和儀器控制軟件的標準被廣泛應用于各個領域。LabVIEW是一個功能強大且靈活的軟件。利用它可以方便地建立自己的虛擬儀器。在一個硬件的情況下,通過改變軟件編程,就可以實現不同儀器的不同功能,方便、快捷。
結合當前測試領域儀器發展新方向,最終輸出模擬電壓信號選用研華USB4716通用數據采集模塊進行采集,傳輸到計算機。使用NI虛擬儀器(LabVIEW)設計電壓信號采集控制程序和電壓數據實時顯示界面。利用LabVIEW軟件平臺分析、處理來自USB4716的數字電壓信號。LabVIEW電壓信號采集控制和顯示的部分程序如圖5所示。

圖5 電壓信號采集程序
4.定量測試及結果分析
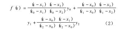
4.1數據處理方法
二階插值(拋物線插值):在一組數據中選取(x0,y0),(x1,y1),(x2,y2)這3點,相應的插值方程

4.2數據處理結果
為取得壓力與電壓的精確對應關系,方便后續絕對誤差和相對誤差的分析,實驗采用靜態測量方法,測量一系列的靜壓力值,并對實驗結果進行定量分析,從而測定電路精度,而沒有采用常用的波形時域和頻域分析的方式。

在滿量程范圍內由小到大測量20個靜壓力值,并使壓力增量△相同。令△=0.98 N,采用二階插值法分析電壓與壓力對應的關系。由表1中選取具有代表性的3點:(x0,y0)=(0,0);(x1,y1)=(2.498 V,9.8 N);(x2,y2):(5.001 V,19.6 N)。帶入二階插值
公式得傳感器所受壓力與系統輸出電壓關系曲線為
y=(-1.568×10-3)x2+3.927x (3)
4.3誤差分析
絕對誤差反映測量值偏離真實值的大小,即測量值與真實值之差的絕對值。絕對誤差可定義為
ε=|X-L| (4)
式中,ε為絕對誤差;X為測量值;L為真實值。
相對誤差是絕對誤差與測量值或多次測量平均值的比值,并且通常將其結果表示成百分數的形式,所以也叫百分誤差。
絕對誤差可以表示一個測量結果的可靠程度,而相對誤差則可以比較不同測量結果的可靠性。當用同一種工具測量時,被測量的數值越大,測量結果的相對誤差就越小。
應變式壓力傳感器試驗系統的絕對誤差和相對誤差如圖6和圖7所示。兩圖中分別給出了出另外兩種數據處理方法:線性插值法和平均選點法的絕對誤差和相對誤差曲線。從圖6和圖7中可以看出,二階插值法計算精度高于其他兩種方法,也證明該數據處理方法的選擇是正確的。

圖6 絕對誤差曲線

圖7 相對誤差曲線
小結
由相對誤差和絕對誤差圖知,在0~4.9 N范圍內電路的測量結果誤差較大,但仍滿足系統設計要求。經過對傳感器及實驗測量電路的分析,認為誤差較大的原因來自于傳感器的懸臂梁材料剛性以及固定應變片的粘性材料的柔性影響。由于電橋輸出的微弱電壓信號精確度受到影響,在經過放大電路后,誤差也被放大,從而導致實驗結果誤差在測量值較小時誤差較大。綜上所述,該壓力信號放大系統滿足:滿量程絕對誤差<9.8×10-3N,相對誤差的設計要求。
電話:18923864027(同微信)
QQ:709211280
〈烜芯微/XXW〉專業制造二極管,三極管,MOS管,橋堆等,20年,工廠直銷省20%,上萬家電路電器生產企業選用,專業的工程師幫您穩定好每一批產品,如果您有遇到什么需要幫助解決的,可以直接聯系下方的聯系號碼或加QQ/微信,由我們的銷售經理給您精準的報價以及產品介紹

