了解共柵級和共源級兩種放大器的小信號增益的聯系和區別,對共柵級放大器主要是本征增益一項進行考察,用通用公式來考察共柵級。
通用公式

輸入電阻為零的共柵級
上文共源級中對于輸入電阻沒有提及的原因時共柵級的輸入阻抗在低頻中一般認為是 ∞ ,不考慮。對于共柵級,輸入信號直接接入電路中,需要考慮輸入電阻。

左圖中是直接耦合的共柵級,V b接固定電位,以電阻R D為負載。右圖為小信號等效電路(做圖水平拙劣),柵極接地,漏端輸出。該圖的輸出電阻(V i n = 0時兩壓控電流源都為零)很顯然為 r 0,負載電阻為 R D 。
在上述條件都交代清楚的的時候,此時按我們的公式,只差源端輸入的本征增益了。對于共源級電路,本征增益為 g m ? r o,該增益反應的時柵源電壓作為控制電壓對于MOS管漏電流的影響,所以我們想要知道共柵級的本征增益就需要考察襯源電壓(背柵)對于MOS管漏電流的影響。
對于本征增益的理解
同樣的,柵源電壓和背柵電壓都是通過壓控電流源的方式改變漏電流,所以首先會存在一個背柵電壓引發的增益 g m b ? r o 。問題來了,背柵電壓的存在僅僅引起這部分增益么?
顯然不是,我們從小信號電路中看到,由于背柵電壓的存在,柵源電壓也被抬升到與背柵電壓相同的電位,所以引起了相同數量的第二部分的增益 g m ? r o,最后,**由于輸入信號直接接入到電路中,由于溝道電阻的作用,還有一個電路本身的增益 1 **。
所以,綜上所述,整個由于背柵電壓引起的增益之和為( g m b ? r o + g m ? r o + 1 ) 。
所以我們可以通過公式得到結果:

將該結果與共源級的電阻負載放大器相比,發現共柵級輸入的增益要大一些(本征增益比1大一到兩個數量級,而背柵跨導比柵源跨導要小一個數量級,所以二者整體相差并沒有很大)。
考慮輸入電阻的共柵級

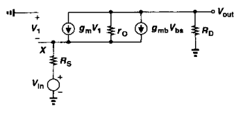
在結構上,我們看到該小信號電路與共源級非常相似,僅僅是輸入從柵源端改到了襯源端,電路本身的屬性(空載和帶載輸出電阻)并沒有發生變化,空載輸出電阻為[r o + R s + ( g m + g m b ) ? R s ? r o ]所以我們從公式直接得出結論。

在將兩種放大器進行比較之后,我們得到一些結論:兩者在放大方式上類似,都是通過電壓控制輸出漏電流來驅動負載實現放大,但兩者的放大能力又不相同,共柵級的漏電流來源于多處,故比共源級放大能力更強。而共源級放大方式單純,對于電路的改變較小,便于分析,同時也避免了體效應。
〈烜芯微/XXW〉專業制造二極管,三極管,MOS管,橋堆等,20年,工廠直銷省20%,上萬家電路電器生產企業選用,專業的工程師幫您穩定好每一批產品,如果您有遇到什么需要幫助解決的,可以直接聯系下方的聯系號碼或加QQ/微信,由我們的銷售經理給您精準的報價以及產品介紹
聯系號碼:18923864027(同微信)
QQ:709211280

