開關電源在布線上最大的特點是拓撲引起的高頻(高壓)強電流與控制級的弱電信號交織在一起,首先要保證強電流的存在不干擾電源內部的控制信號,其次要盡量減少對外部的干擾(EMC)。一句話:要運行最穩定、波形最漂亮、電磁兼容性最好。
關鍵詞一:電流
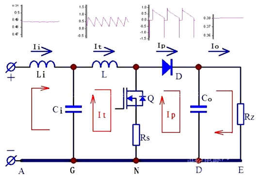
一個典型的開關電源強電流分布(圖一):

特點:
1、每種拓撲的輸入輸出電流 Ii 和 Io 幅度較大(與控制信號相比),但以直流為主。
2、每種拓撲的拓撲電流 It 幅度也較大,但一般沒有尖峰毛刺,是拓撲產生的典型波形。
3、每種硬開關拓撲都有一個高頻脈沖電流 Ip 回路,其幅度最大,且有可觀的尖峰毛刺,其中毛刺部分幅度大,頻率高,因而含有較高的能量。它一般是由續流或者吸收(鉗位)二極管反向恢復引起的沖擊電流回路,是最容易引起干擾的元兇。
4、 以上四種電流對應流經一段地線,并可能在對應的地線段上產生干擾電位差。
電流分類是開關電源布線的主要線索,請大家記住這個圖。
關鍵詞二:電容
從圖中可以看出,It 和 Ip 電流完全(不是部分)地流經了各自對應的一個電容 Ci 和 Co。一般人很少去關注電容上流過的電流,而實際上這正是開關電源布局的關鍵之一。干擾都是通過電容被旁路的,整個電路最強勁電流都在電容上,電容很重要!
按照反應速度分,最快的器件是電容、二極管等器件,最慢的器件是電感等器件。
要領一:高頻脈沖電流 Ip 回路最小化(第一個圈)
首先找到電路的高頻脈沖電流 Ip 回路(每個拓撲都有的),它一般都是由包括開關管在內的快速器件組成的環路,在布局上讓它最小化(連線最短、面積最小,因而干擾最小)。
這個是整個開關電源布局的第一步,而不是先去張羅輸入輸出在哪?IC放哪?
這樣連接后,ND兩個地會合并在一起,形成一個點,這個點就是整個電路的接地中心。
要領二:拓撲電流 It 回路最小化 (第二個圈)
找到電路的拓撲電流 It 回路(每個拓撲都有的),它一般都是包含了一個電感(或者變壓器原邊)的拓撲主回路的一部分,讓它最小化。
注意:
1、It 回路與 Ip 回路有部分重疊(才能構成拓撲),因此 It 回路(應該)是在 Ip 回路(已經布置好的)基礎上的延伸。
2、有時候這兩個回路的布局有沖突,一般應以 Ip 回路為主。
3、對于隔離拓撲,It 回路被變壓器分隔成原邊和付邊兩部分,應分開最小化布置。
4、 如果 It 回路有個接地點,那么這個接地點應與上述接地中心重合,不能布置到一個點時,也要盡量縮短距離,同時留心這段地線上的 It 電流可能的影響。
5、條件受限時,上述2個回路的(輸入輸出)電容可能不能共地,必要時可以電氣并聯的方式就近增加一個(或兩個可以共地的)高頻電容達成共地。
畫好這兩個圈,這個PCB板布局的大致方位基本上確定了。現在再考慮控制在哪?輸入輸出在哪?
需要特別指出的是:
1、這種布局是針對硬開關的,但是對軟開關拓撲仍然有效,總不希望自己的軟開關諧振波形上再意外出現一個小波吧?
2、這種布局是針對硬開關的,它就是要讓電路看上去更加符合理論波形,拿掉毛刺、拿掉尖峰。另一層意思是:它會更硬一些(可能對EMC某些頻段不利)。
3、從EMC角度,這種布局就是總體最優化結構,整體上最容易過輻射和傳導測試。具體到某個板能不能過?按這樣布局后的整改工作量和成本也是最小。
關鍵詞二:接地中心

根據以上布局,圖一地線上 G、N、D 三個點已經最大程度的合并成一個點了,這就是拓撲接地中心 GND。
它的意義也很明確:這個點以外的地線上應該已經沒有大的脈沖電流了,地線基本上就安靜了,板總體上也安靜了。因此,主電路的其他部分:橋在哪?輸入輸出端子在哪?怎么走線都問題不大了。
關鍵詞三:特殊工況
但仍然有意外情況:
1、如果圖一的輸入差模濾波電感 Li 沒有或不足,其地線的輸入 A-GND 段仍然可能有較大的脈動電流。這是由于電源的輸入阻抗太低,以至于單獨一個 Ci 還不足以旁路掉所有高頻的緣故。
2、輸出突然短路、或者輸入在交流的高電壓角突然開機,電容 Co 和 Ci 呈短路運行工況,可能在地線的 GND-E 或者 A-GND 段上產生非常強大的電流和高達足以燒壞芯片的電壓差(可能十幾伏或更高)。有不少人開機或者短路就燒芯片(其他不燒),多半是這里沒處理好。
拓撲的布局處理完了,現在是控制部分。根據以上布局,已經知道了接地中心,同時也能夠看出來開關的驅動腳在哪個方向,就可以就近布置驅動和控制電路了。
開關電源的所有操控,最終都由對開關管的精確驅動來體現,因此驅動環路要優先布置。目的只有一個:保持驅動波形的正確和純粹。
要領三:驅動電流 Ig 回路最小化(第三個圈)

需要注意的是:
1、這個電流環路應包含驅動電路的 Vcc 濾波電容 Cg 通道在內,因為驅動電流本質上就是該濾波電容 Cg 的輸出電流。這個電流(脈沖成分)是很大的,一般是安培級,至少是亞安培級,幾乎與拓撲電流相當。
2、這個濾波電容 Cg 必須貼近驅動 IC 的供電端子布置,這是因為驅動 IC 內部的電路和信號可能非常復雜和敏感,完全要仰仗這個電容來撐住。——這一布線原則對任何一個芯片(電路)都適用,即:每個 IC 的 Vcc 濾波電容無一例外的都必須就近釘在該芯片的 Vcc 和 Gnd 引腳上,沒得商量。
3、這樣布置下來后,一般會形成 Rg 連線和 GND-gnd 兩條連線,兩條連線在環路電流 Ig 上是等效的。這意味著改變其中任意一條連線上的電流波形,都將改變驅動電流波形,使其不再純粹。這還意味著 GND-gnd 可能會拉開距離,這就形成了第二個接地中心 gnd。
關鍵詞四:一點接地
gnd 即驅動電路的濾波電容 Cg 的接地端,它可能與拓撲接地中心 GND 拉開距離。如圖所示,所有弱電單元的地線應在此一點接地,再連接到 GND。為什么要這樣接?
原因是:
1、首先,其中輔助電源的電流 Iv 是最大的(也可能是安培級),而且跟 Ig 剛好反向(它是 Cg 的輸入電流),如果其接地點不連接到 gnd,比如接到 GND,勢必會在 GND-gnd 連線上形成 Iv 電流回路,使 Ig 疊加上 Iv,導致驅動電流波形畸變,即:驅動被供電干擾。 基于這個原因,驅動電路的濾波電容 Cg 的 VCC 端的輸入輸出連接也需要分開走線。
2、其他電路單元的電流一般很弱,如果連接到其他地方,則會使 GND-gnd 連線上較強勁的 Ig 脈沖電流疊加到自己的地線上,即:控制被驅動干擾。
3、同理,其他各個電路的地線,無論多么繞,均應分別走線到 gnd 一點接地,否則,除了可能因上述 Ii、Io、Ip、It、Ig、Iv 等強電流竄進自己的地線形成干擾外,還可能通過共用地線相互干擾。
〈烜芯微/XXW〉專業制造二極管,三極管,MOS管,橋堆等,20年,工廠直銷省20%,上萬家電路電器生產企業選用,專業的工程師幫您穩定好每一批產品,如果您有遇到什么需要幫助解決的,可以直接聯系下方的聯系號碼或加QQ/微信,由我們的銷售經理給您精準的報價以及產品介紹
聯系號碼:18923864027(同微信)
QQ:709211280

