什么是死區時間?
PWM是脈沖寬度調制,在電力電子中,最常用的就是整流和逆變。這就需要用到整流橋和逆變橋。
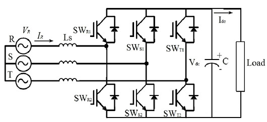
對三相電來說,就需要三個橋臂。以兩電平為例,每個橋臂上有兩個電力電子器件,比如IGBT。大致如下圖所示;

這兩個IGBT不能同時導通,否則就會出現短路的情況,從而對系統造成損害。
那為什么會出現同時導通的情況呢?
因為開關元器件的tdon和tdoff嚴格意義并不是相同的。
所以在驅動開關元器件門極的時候需要增加一段延時,確保另一個開關管完全關斷之后再去打開這個開關元器件,通常存在兩種情況;
上半橋關斷后,延遲一段時間再打開下半橋;
下半橋關斷后,延遲一段時間再打開上半橋;
這樣就不會同時導通,從而避免功率元件燒毀;死區時間控制在通常的單片機所配備的PWM中都有這樣的功能,下面會進一步介紹。

相對于PWM來說,死區時間是在PWM輸出的這個時間,上下管都不會有輸出,當然會使波形輸出中斷,死區時間一般只占百分之幾的周期。但是當PWM波本身占空比小時,空出的部分要比死區還大,所以死區會影響輸出的紋波,但應該不是起到決定性作用的。
另外如果死區設置過小,但是仍然出現上下管同時導通,因為導通時間較短,電流較小,不足以燒毀,此時會導致開關元器件發熱嚴重,所以選擇合適的死區時間尤為重要。
PWM輸出時的Dead Zone(死區)作用是在電平翻轉時插入一個時間間隔,避免關閉前一個設備和打開后一個設備時因為開關速度的問題出現同時開啟狀態而增加負荷的情況(在沒有徹底關閉前打開了后一個設備),尤其是電流過大時容易造成短路等損壞設備,如:互補PWM波輸出在逆變器(直流轉交流)中的應用。
PWM(Pulse Width Modulation),即脈寬調制,簡單來說就是一些矩形脈沖波形,PWM波形最重要的參數是頻率和占空比。PWM是利用微處理器的數字輸出來對模擬電路進行控制的一種非常有效的技術,廣泛應用在測量、通信、功率控制與信號變換的許多領域中。
更具體的理解是,通常大功率電機、變頻器等,末端都是由大功率管、IGBT等元件組成的H橋或3相橋。每個橋的上半橋和下半橋是絕對不能同時導通的,但高速的PWM驅動信號在達到功率元件的控制端時,往往會由于各種各樣的原因產生延遲的效果,造成某個半橋元件在應該關斷時沒有關斷,造成功率元件燒毀。

當比較單元的比較操作被使能,就會產生波形PHx。PHx經過死區單元,就會輸出兩路互補的帶有死區的PWM波形DTPHx和DTPHx_。PHx、DTPHx、DTPHx_之間的關系如上圖,如果沒有死區,那么DTPHx和DTPHx_應該是完全互補的。
DTPHx的導通時刻是在PHx的基礎上延時了1個死區時間,而關閉時刻未變。DTPHx_是在PHx取反的基礎上,也將導通時間延遲了1個死區時間,而關斷的時間沒有發生改變。
對于比較先進的處理一般都帶有Dead Zone的配置,比如s5pv210處理器就可以配置成帶有Dead Zone互補的PWM波輸出,如下圖所示:

〈烜芯微/XXW〉專業制造二極管,三極管,MOS管,橋堆等,20年,工廠直銷省20%,上萬家電路電器生產企業選用,專業的工程師幫您穩定好每一批產品,如果您有遇到什么需要幫助解決的,可以直接聯系下方的聯系號碼或加QQ/微信,由我們的銷售經理給您精準的報價以及產品介紹
聯系號碼:18923864027(同微信)
QQ:709211280

