可變增益放大器(VGA)用于多種遠程檢測和通信設備中,能夠為需要高動態范圍的信號鏈提供出色的性能。從超聲波、雷達、激光雷達、無線通信到語音分析等應用都利用VGA來提供杰出的性能。
可變增益放大器原理
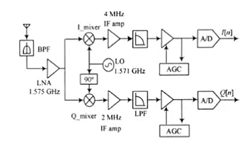
模擬電路需要對信號進行放大或衰減,這一功能可由可變增益放大器(VGA)實現。它在無線通信的收/發信機模擬前端中,起著至關重要的作用。圖 1 是用于 GPS 的接收機模擬前端圖。處于基波頻率的 VGA 補償射頻模塊和中頻模塊的增益衰減;VGA 將輸出信號放大到 A/D 轉換器需要的幅度。AGC 環路改變接收機的增益,調整各級信號動態范圍,穩定輸出信號功率的作用。


對于 VGA 電路,IIP3 和 THD 是重要的指標,因為它的輸出信號幅度很大。其次,為了實現寬增益范圍調節,同時保持不同增益輸入功率下恒定的輸出建立時間,要求 VGA 的增益與控制電壓成 dB 線性。VGA 增益步長越小越 ,則對 ADC 的要求越降低。在文中,數字控制的 VGA 電路提供了 30 dB 的增益控制范圍,使用 7b 控制增益大小,所耗面積和功耗小。
可變增益放大器電路圖設計
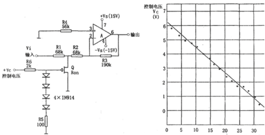
如圖所示為壓控增益放大電路:


利用場效應管柵極電壓與漏-源極電阻RSD之間成近似對數關系可構成壓控增益放大器。該電路采用集成芯片LM307作為放大電路,采取反相輸入形式。
由圖(a)可知,RSD與R1組成分壓電路(對Vi分壓)。4個1N914二極管的管壓降與電阻R5的壓降之和等于場效應管的柵極電壓VG。該VG與控制電壓VC呈非線性關系,但控制電壓VC與放大器增益的衰減量的對應關系如圖(b)所示。
由圖(b)可知,控制電壓VC越大,放大器增益的衰減量越小,即當VC≥7V時,放大器的增益最大(衰減最小);當VC=0V時,放大器增益的衰減量最大(增益最小)。
圖(a)所示電路增益的最大值和最小值為:
當VC≥7v時,增益的最大值為:Avmax=-R3/(R1+R2)。
當VC=0V時,增益的最小值為:Avmin=-R3/(R2//RSD+R1)。
電路的上限截止頻率取決于R1和場效應管極間電容所構成的低通濾波器。對于圖(a)所示元件參數,其最壞上限截止頻率可達1.8MHz,該數值是在VC≥7V的情況下測得的(即電路增益最大時測得的)。
可變增益放大器電路圖設計
寬頻帶可變增益電路:


場效應晶體管可作為在光電9906運算放大器的反饋回路中的純增益控制設備。電阻式T網絡將SD201MOS晶體管用作接地腳,電阻值的選擇是為了晶體管電力地靠近求和點和自動地限制信號總和。
〈烜芯微/XXW〉專業制造二極管,三極管,MOS管,橋堆等,20年,工廠直銷省20%,上萬家電路電器生產企業選用,專業的工程師幫您穩定好每一批產品,如果您有遇到什么需要幫助解決的,可以直接聯系下方的聯系號碼或加QQ/微信,由我們的銷售經理給您精準的報價以及產品介紹
聯系號碼:18923864027(同微信)
QQ:709211280

