lm567引腳圖及功能




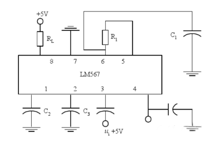
引腳4和引腳7:分別是 IC 的正 (Vdd) 和負 (Vss) 電源輸入。
引腳3:是輸入的感測輸入,用于檢測給定的鎖相環頻率,換句話說,該引腳將鎖定匹配的中心頻率,該中心頻率可以通過一對外部設置在 IC 內部遙控網絡。
引腳5和6:用于通過根據需要設置 R1、C1 的值來創建中心頻率,并且該頻率被感測輸入 引腳3用于鎖定并在引腳8處創建邏輯零這是IC的輸出引腳。
輸出引腳8:通常為邏輯高電平,一旦在 IC 的引腳3檢測到匹配頻率,就會變為邏輯零。
引腳1和2:用于確保正確過濾所涉及的頻率,以便 IC 不會由于任何現有的寄生或雜散噪聲干擾而產生任何錯誤輸出。
LM567的內部結構
LM567是一種解碼集成電路,其內部結構如下圖1所示。LM567內部包含了兩個鑒相器、放大器、電壓控制振蕩器VCO等單元。其典型的應用電路如圖2所示。




LM567工作原理
音調解碼器LM567工作時,其鎖相環內部電流控制振蕩器產生一定頻率和相位的振蕩信號。
該信號與③腳輸入的信號一起送入正交鑒相器進行比較。當信號頻率落在給定通帶內時,鎖相環鎖定該信號,同時控制LM567內部三極管上電,LM567輸出端輸出低電平。
LM567的⑤腳輸出內部振蕩器的方波信號,⑥腳輸出鋸齒波脈沖。兩者的頻率都與內部振蕩器的中心頻率相同。②腳是鎖相環鑒相器的輸出。上的電壓是F/V轉換后的信號。如果將音調信號輸入到②腳,則⑤腳輸出由②腳輸入信號調制的FM方波信號。
從LM567的基本功能來看,LM567可以用作振蕩器、調制器或解調器。因此,它可以作為電路中的基本器件。LM567的應用具有解碼輸入信號中特定頻率的功能,廣泛應用于通信、遙控、測量、頻率監測等領域。
〈烜芯微/XXW〉專業制造二極管,三極管,MOS管,橋堆等,20年,工廠直銷省20%,上萬家電路電器生產企業選用,專業的工程師幫您穩定好每一批產品,如果您有遇到什么需要幫助解決的,可以直接聯系下方的聯系號碼或加QQ/微信,由我們的銷售經理給您精準的報價以及產品介紹
聯系號碼:18923864027(同微信)
QQ:709211280

