電動車充電器種類繁多,電路數不勝數,但都離不開兩個主要部分:
1.電源部分--電源部分一般由開關電源構成。
2.充電控制部分--電動車使用的一般是硫酸蓄電池,任何電池都對充電電壓以及充電電流敏感,所以需要充電控制。
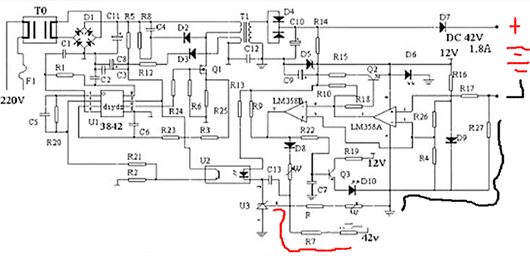
電動車充電器電路圖
下文電路圖是一個36V,14AH電池的充電器電路圖


電動車充電器電路圖二
以3842驅動場效應管的單管開關電源,配合358雙運放來實現三階段充電方式。


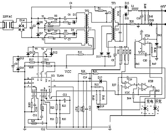
電動車充電器電路圖三(原邊電路圖)


電動車充電器電路圖四


充電器的控制芯片一般是以TL494為核心,推動2只13007高壓三極管。配合324( 4運算放大器 ),實現三階段充電。
〈烜芯微/XXW〉專業制造二極管,三極管,MOS管,橋堆等,20年,工廠直銷省20%,上萬家電路電器生產企業選用,專業的工程師幫您穩定好每一批產品,如果您有遇到什么需要幫助解決的,可以直接聯系下方的聯系號碼或加QQ/微信,由我們的銷售經理給您精準的報價以及產品介紹
聯系號碼:18923864027(同微信)
QQ:709211280

