
傳真:
18923864027
QQ:
709211280
地址:
深圳市福田區振中路84號愛華科研樓7層
續流二極管的作用與工作原理,續流二極管整流電路中的作用續流二極管作用及工作原理續流二極管(flyback diode),有時也稱為飛輪二極管或
各類二極管的使用場景與要點簡述二極管的應用場景和應用方式非常多,巧妙地使用二極管可以極大提高系統穩定性和可靠性,延長器件使用壽命,
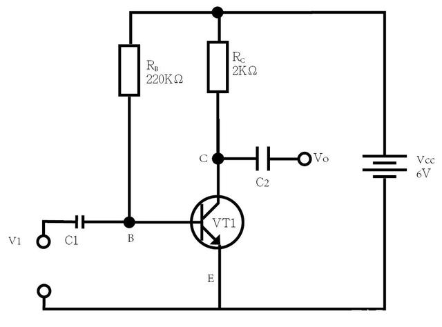
三極管放大電路的原理介紹數字電路講過載,模擬電路講放大!可見放大功能在模擬電路中的重要性。這次我們不做小制作了,專門講講三極管放大
穩壓二極管的應用電路解析穩壓二極管比較特殊,基本結構與普通二極管一樣,也有一個PN結。由于制造工藝的不同,當這種PN結處于反向擊穿狀態
繼電器續流二極管的選擇介紹繼電器并聯的二極管,不是什么BUCK電路中的續流二極管,由于繼電器線圈的是感性負載,作用是吸收驅動三極管在斷
介紹穩壓二極管是利用什么特性組成的穩壓管也是一種晶體二極管,它是利用PN結的擊穿區具有穩定電壓的特性來工作的。穩壓管在穩壓設備和一些
模擬電路知識之三極管的基本用法介紹三極管是模擬電路最常用的基礎知識,三極管是電路設計中應用非常廣泛的半導體元器件,若三極管都不會用
7805三端穩壓管輸入電壓范圍是多少,7805與穩壓二極管5v的區別7805三端穩壓管7805三端穩壓集成電路,電子產品中,常見的三端穩壓集成電路有
晶體管放大電路的三款接法介紹晶體管放大電路的靜態工作點指什么晶體管放大電路的靜態工作點是指在沒有輸入信號時(即直流條件下),晶體管
變容二極管的工作原理介紹變容二極管,也稱為變電容,VVC(電壓可變電容或調諧二極管),是一種半導體二極管,當器件反向偏置時,其p-n結上
繼電器線圈并聯二極管的作用介紹在繼電器線圈兩端并聯一個二極管,正確的說法應該是稱為反相二極管,當然作用就是用來保護驅動三極管不會被
肖特基二極管的基本原理介紹肖特基二極管肖特基二極管(Schottky BarrierDiode SBD),也稱肖特基勢壘二極管,與PN結二極管相比具有更低