
傳真:
18923864027
QQ:
709211280
地址:
深圳市福田區振中路84號愛華科研樓7層
DB207S整流橋的結構與參數選擇的方法介紹整流橋DB207S的結構整流橋通常是由兩只或四只整流硅芯片作橋式連接,DB207S也不例外。兩只的為半橋
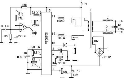
24V電源實例解析如下圖所示:從上圖我們可以看出,這個電源屬于典型的反激轉換型開關電源,我們也可以稱之為回掃變壓器型開關電源。這個電
直流電路圖解析直流電路(direct current circuit, dc circuit)就是電流的方向不變的電路,直流電路的電流大小是可以改變的。電流的大小
可控硅觸發電路圖解可控硅觸發電路是通過調整可控硅的導通角來實現電氣設備的電壓電流功率調整的一種移相型的電力控制器。1 可控硅觸發電
整流二極管如何接線整流二極管(rectifier diode)是一種用于將交流電轉變為直流電的半導體器件。二極管最重要的特性就是單方向導電性。在電
帶數字顯示的穩壓電源圖解用LM317可調集成穩壓器制作的穩壓電源,可以輸出多擋不同的電壓。假如這些多擋不同的輸出電壓值能用數字來指示該
開關電源的模塊設計介紹隨著我國科技生產水平的不斷提高,各行各業對供電質量的要求越來越高, 而智能高頻開關電源作為一種繼電保護裝置和
電吹風電路圖解析電吹風電路圖用于頭發吹干和整型的整容電器。電吹風-構造組成電吹風主要由外殼、電動機、風葉和電熱元。1 電吹風電路圖作
開關電源設計方案介紹開關電源是利用現代電力電子技術,控制開關晶體管開通和關斷的時間比率,維持穩定輸出電壓的一種電源。開關電源領域包
全橋電路的工作原理介紹工作原理:如圖所示單相橋式逆變電路工作原理開關T1、T4閉合,T2、T3斷開:u0=Ud;開關T1、T4斷開,T2、T3閉合:u0=-
PWM開關穩壓電源的尖峰干擾解析PWM(PulseWidthmodulation)型開關穩壓電源具有體積小、效率高的優點,作為電源設備在許多領域得到了廣泛的
功率穩壓逆變電源的設計和應用目前國內大多數采用的長延時熱脫扣試驗方案是通過變壓器直接對斷路器施加一個電壓以獲得測試電流。在測試過程