
傳真:
18923864027
QQ:
709211280
地址:
深圳市福田區振中路84號愛華科研樓7層
晶振振蕩電路原理解析在單片機中晶振是普遍存在的,那么晶振為什么這么必要,原因就在于單片機能否正常工作的必要條件之一就是時鐘電路,所
LM317三端穩壓管怎么使用LM317是可調節3端正電壓穩壓器,其工作原理相當于串聯穩壓電路,通過調整內部開關管的導通程度,或等效電阻來調整
TL431穩壓電路的電壓怎么計算TL431是一種廣泛應用于穩壓電路中的集成電路。它可以作為參考電壓源或誤差放大器使用,廣泛用于直流穩壓電源、
怎么用雙向可控硅觸發電路的原理圖解析當觸發器件所需的柵極電流高于控制電路輸出電流能力時,必須放大控制電路輸出電流。例如,如今許多
可控硅的幾個觸發電路圖文解析可控硅觸發電路可控硅由關斷轉為導通,除陽極要承受正向電壓外,門極還要加上適當的觸發電壓,改變觸發脈沖輸
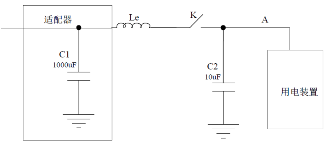
怎么解決由輸入濾波電容引起的電路問題詳解多用電裝置都由適配器通過一段比較長的電源線供電,在用電裝置一端有電源濾波電容。隨著產品向小
電路設計中二極管怎么應用二極管是非常常用的基礎元器件,本文主要聊一聊其在電路設計中的應用,大概總結了二極管的如下作用防反、整流、穩
220V交流電的負載參數介紹如何用單片機控制220V交流電的通斷?首先來說,220V交流電的負載是多大,是感性負載負載還是阻性負載,正常輸出功
220V交流電怎么過零檢測需要說明的是,這里的過零檢測指的是在交流回路的中的過零檢測,對于我們最常接觸的交流電就是我們使用的220V的市電
線性電路中的疊加定理解析疊加定理說的是:線性電路中,如果有多個激勵存在,則其響應為每個激勵分別單獨作用時響應的疊加。這里的激勵是指
差分放大器的特性和作用解析雙電源供電的差分放大器電路單電源供電的差分放大器與同相放大器電差分放大器的定義:兩信號分別從運算放大器的
運算放大電路直流誤差介紹相信大部分人在使用運放時會忽略運放的輸入誤差信號eid,忽略的原因往往是因為輸入誤差信號eid所引起的輸出電壓誤