
傳真:
18923864027
QQ:
709211280
地址:
深圳市福田區振中路84號愛華科研樓7層
功率電感器的分類和特點解析功率電感是一個籠統的名詞,包括貼片功率電感和插件功率電感。功率電感一般是指電氣工程中用的,能承受大功率的
工字電感的結構和作用解析電感中工字電感是屬于插件電感的一種,它是電子電路或裝置的屬性之一,指的是:當電流改變時,因電磁感應而產生抵
有損耗與無損耗電流測試方法解析損耗電流檢測方法只需使用電阻器即可測量電流。 每個人都知道歐姆定律:V=IR。通過測量已知電阻器上的電壓
運算放大器功耗和性能的權衡解析高性能,低功耗:越來越多的應用需要滿足這一需求,尤其是由電池供電的移動設備。特別是在物聯網、工業4 0
小功率電子負載實現快速負載瞬態測試解析在 DCDC 電源測試中,負載瞬態測試(Load Transient Test)是十分重要的一環,利用負載瞬態測
內置折返式限流電路的線性穩壓器詳解內置折返式限流電路的線性穩壓器在啟動前被施加恒流負載時,可能會出現無法啟動的故障。內置折返式限流
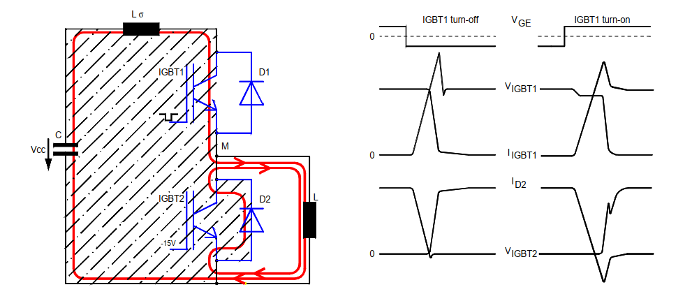
IGBT換流回路中雜散電感的測量詳解換流回路中的雜散電感會引起波形震蕩,EMI或者電壓過沖等問題。因此在電路設計的時候需要特別留意。本文
抑制LED燈具浪涌電流的方法詳解LED 燈具的高浪涌電流現已成為照明行業的一個關注點,浪涌電流指的是在極短的一段時間內進入 LED 燈具的
怎么提高隔離式電源的效率詳解在大多數降壓調節器的典型應用中,使用有源開關而非肖特基二極管是標準做法。這樣能大大提高轉換效率,尤其是產
運算放大器的內部結構詳解集成運算放大器(以后簡稱集成運放)是一種高電壓增益、高輸入電阻和低輸出電阻的多級直接耦合放大電路。它的類型
鏡像恒流源電路解析在改進型差動放大器中,用恒流源取代射極電阻RE,既為差動放大電路設置了合適的靜態工作電流,又大大增強了共模負反饋作
MOS管h橋電機驅動電路詳解H橋驅動電機,一般都是驅動直流電機,小功率的,電流范圍不是很大。要想電機能轉動并且能調節方向,采用H橋是比較